該係列美女裸体无遮挡在线观看茄子视频為機、電、液一體式,液壓壓緊,手動機械鎖緊保壓型。操作維護方便,運行安全可靠等特點。被廣泛用於化工、石油、醫藥、食品、印染、皮革、冶煉、紡織等中小型企業的生產及汙水處理設備。該係列美女裸体无遮挡在线观看茄子视频主要規格有:XA MY/Z/J(G) 5~32/630-UBK美女裸体无遮挡在线观看茄子视频有明流、暗流之分,它們各自又有濾餅的可洗式和可洗式。如需獲得略幹的濾餅,可向美女裸体无遮挡在线观看茄子视频通入幹燥的壓縮空氣吹壓,將濾餅中殘餘的部分水分再度排出。想進一步降低濾餅的含水率,可選購帶隔膜壓榨的美女裸体无遮挡在线观看茄子视频。如需在高溫狀況下進行懸浮液分離時,您可選用金屬濾板的美女裸体无遮挡在线观看茄子视频。














以下是XY(J)5~32/ 630-U係列液壓廂式美女裸体无遮挡在线观看茄子视频的相關介紹:
型號含義
X:代表廂式美女裸体无遮挡在线观看茄子视频。
Y:表示液壓壓緊方式。
J:可能指的是機械保壓(具體含義因廠家而異)。
5~32:表示過濾麵積,單位為平方米,該係列美女裸体无遮挡在线观看茄子视频的過濾麵積在 5 平方米至 32 平方米之間。
630:通常指濾板的尺寸為 630mm×630mm。
U:表示濾板材質為非金屬,默認為聚丙烯材質.
機架結構:主要由主機部分(包括機架部件、濾室部件)、濾板移動裝置、濾布懸掛裝置、液壓部分、電氣控製等部分組成。其中,主機部分的機架由兩根橫梁及其兩端固定的止推板和液壓缸座構成,濾室由排列在橫梁上的濾板、濾布等組成;濾板移動裝置用於實現濾板的逐塊拉板;液壓部分為壓緊和放鬆濾板提供動力;電氣控製部分則實現各功能的手動按鈕和程序控製的自動操作。
工作原理:在輸料泵的壓力作用下,將需要過濾的物料液體送進由濾板排列組成的濾室,通過過濾介質(濾布),固體顆粒被截留在濾室內形成濾餅,濾液穿過濾布並沿濾板溝槽流至下方出液孔通道,集中排出。過濾完畢,可通入清洗滌水洗滌濾渣,洗滌後還可通入壓縮空氣,除去剩餘的洗滌液。過濾結束後打開美女裸体无遮挡在线观看茄子视频卸除濾餅,清洗濾布,重新壓緊濾板開始下一工作循環。
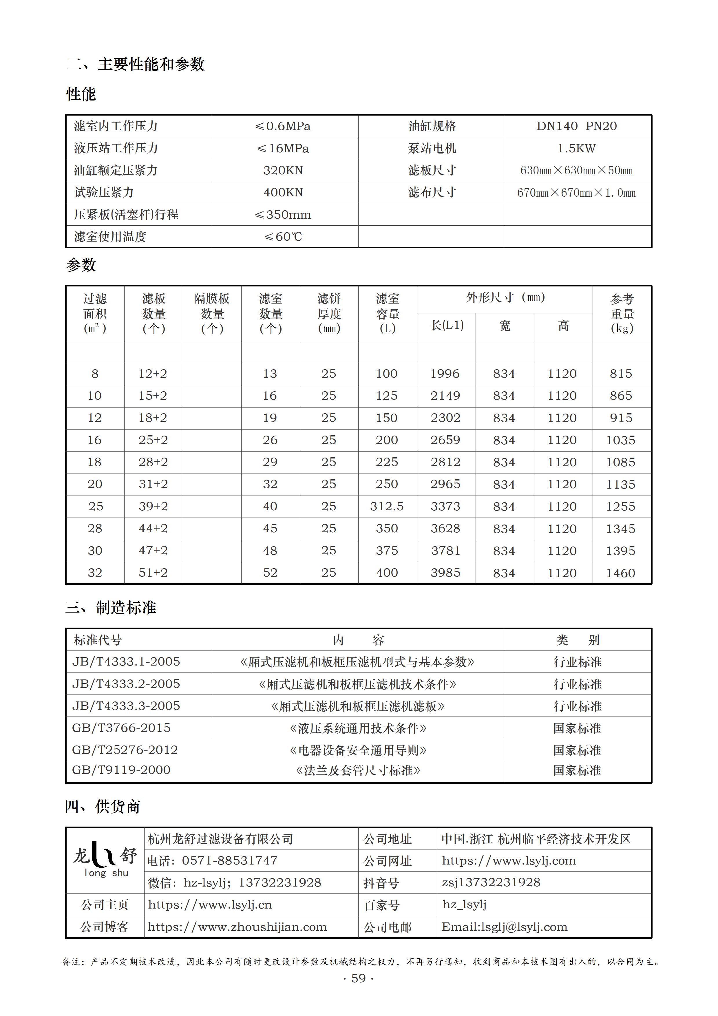
技術性能:
過濾壓力:一般≤1.0MPa。液壓工作壓力:通常為 15MPa。壓緊力:可達 320KN。
壓緊板行程:300mm。使用溫度1:≤100℃。
其他特點:可根據需要,采用 PLC 控製,可實現自動保壓、自動拉板、自動進料、自動卸料、自動輸料等功能,減少人工操作,提高工作效率。
操作維護方便:液壓壓緊,自動保壓,運行安全可靠,且濾布更換方便,濾板和濾框易於清洗。
結構堅固:機架采用高強度鋼結構,濾板、濾框采用增強聚丙烯一次模壓成型,強度高,相對尺寸和化學性能穩定,耐酸堿,經久耐用。
密封性好:全機密封性好,拉板器運行部分均有護罩,既安全又防塵防腐。
應用領域:廣泛用於化工、石油、醫藥、食品、印染、皮革、冶煉、紡織等企業的生產及汙水處理1。在化工行業中用於各種化工原料的過濾提純;在食品行業可用於果汁、植物油等的過濾澄清;在汙水處理中對汙泥進行脫水處理等。




本網站上展示的產品僅用於工業上的汙水固、液分離,由於產品的專業性和專用性,每件商品的具體性能和使用方法均不盡相同,頁麵上的描述僅供參考,並不適用於每個具體商品,您在決定購買之前,務必事前(老板電話13732231928)溝通。謝謝您的理解和支持!(本站僅用於產品展示,不接受線上交易)




