
廂式、板框式美女裸体无遮挡在线观看茄子视频是懸浮液固、液兩相分離的理想設備。該係列美女裸体无遮挡在线观看茄子视频為板框式手動或千斤頂壓緊機型。濾板尺寸315mm×280mm 至650mm×650mm,壓緊方式:S 為手動螺杆型。J 為手動千斤頂型。機器結構簡便,操作易行。該係列美女裸体无遮挡在线观看茄子视频機型較小,壓緊、卸料均為手動操作.美女裸体无遮挡在线观看茄子视频有明流,暗流之分,它們各自又有濾餅的可洗式和不可洗式。該係列美女裸体无遮挡在线观看茄子视频主要規格有:BAMSJ0.4~3/ 315-UBK-Ⅰ;
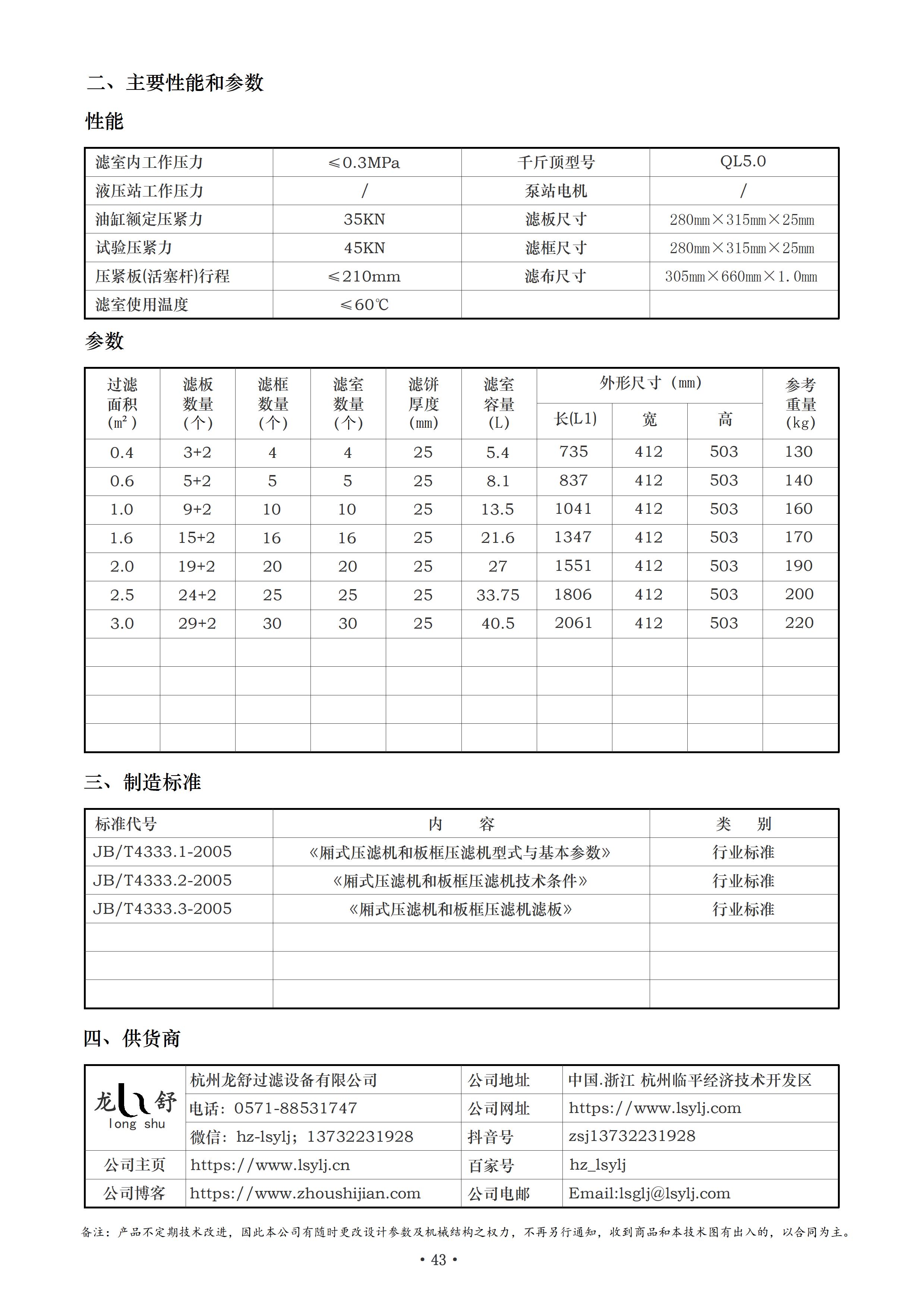
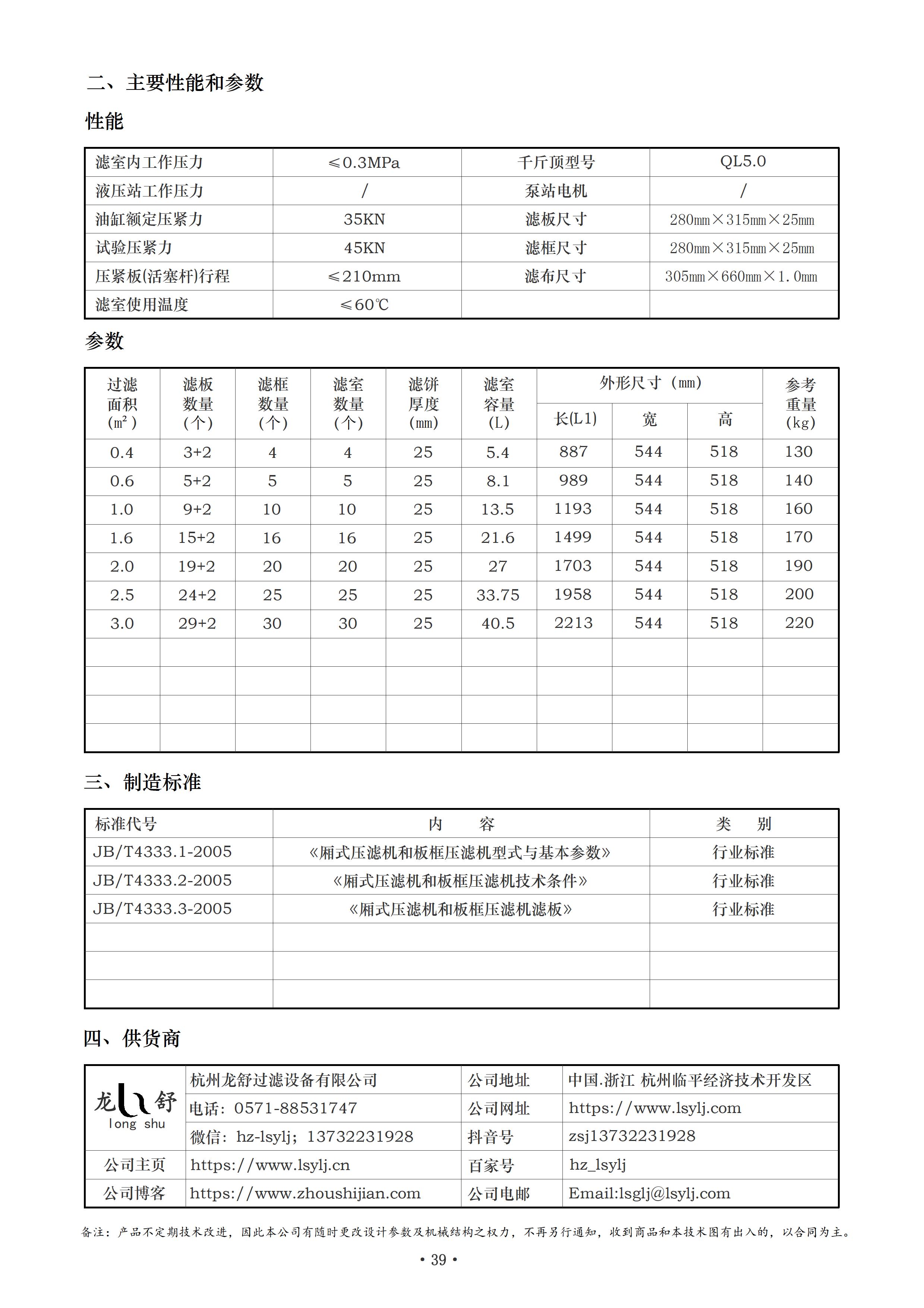
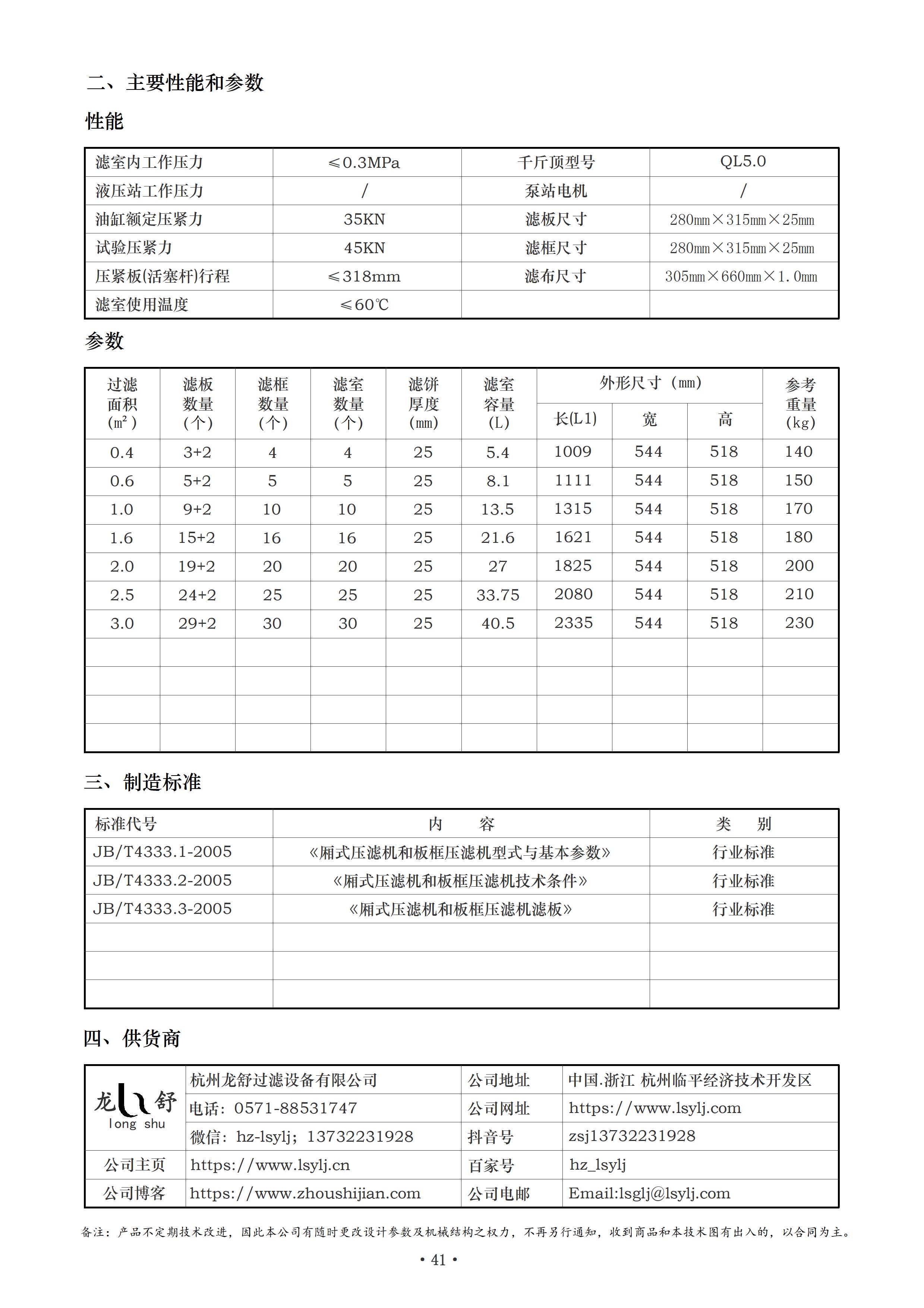
技術性能
過濾壓力 | ≤0.6 MPa |
壓緊力 | ≤33 KN |
壓緊板行程 | ≤210 mm |
使用溫度 | ≤100℃ |
主要技術參數
過濾麵積 m2 | 濾板數量 (塊) | 濾室 數量 (個) | 濾餅 厚度 mm | 濾室 容積 L | 外形尺寸 mm | 機器 質量 t | 進料 管孔 直徑 mm | 洗滌 出液 管孔 直徑 | |||
濾框 | 濾板 | 長 | 寬 | 高 | |||||||
0.6 | 6 | 5 | 6 | 25 | 8 | 1003 | 564 | 492 | 0.17 | 25 | 25 |
1.0 | 10 | 9 | 10 | 13 | 1207 | 0.19 | |||||
1.6 | 16 | 15 | 16 | 21 | 1513 | 0.22 | |||||
2 | 20 | 19 | 20 | 26 | 1717 | 0.24 | |||||
2.5 | 25 | 24 | 25 | 33 | 1972 | 0.26 | |||||
3 | 30 | 29 | 30 | 39 | 2227 | 0.29 | |||||
基礎尺寸
過濾麵積(m2) | 尺寸L1(mm) | 過濾麵積(m2)m2 | 尺寸L1(mm) |
0.6 | 731 | 2.0 | |
1.0 | 935 | 2.5 | 1700 |
1.6 | 1241 | 3.0 | 1955 |
BSJ0.4~3/ 315-UBK係列小型板框美女裸体无遮挡在线观看茄子视频是一種常用於固液分離的設備,有如下特點:
板框結構:由濾板和濾框交替排列組成過濾室。濾板尺寸為315mm×280mm,這種規格適合處理小批量物料,比較適合實驗室研究或中小型企業的生產需求。
壓緊方式:屬於手動壓緊機型,“J”代表手動千斤頂型,通過手動操作千斤頂實現濾板的壓緊,結構簡便,不過壓緊和卸料都需要人工操作,自動化程度相對較低。
過濾壓力:≤0.6MPa,在這個壓力範圍內,能夠有效實現固液分離,保證過濾效果。
壓緊力:33KN,提供足夠的壓力使濾板緊密貼合,防止物料泄漏,確保過濾過程的順利進行。
壓緊板行程:210mm,該行程設計能滿足一定厚度濾餅的形成和排出。
使用溫度:60℃,說明該美女裸体无遮挡在线观看茄子视频能夠在較高溫度環境下工作,但一般適用於不超過60℃的物料過濾。


過濾原理:濾板與濾框交替排列,濾框之間形成過濾室。物料進入後,通過濾板上的孔洞流入濾室,固體顆粒被截留在濾框上,而液體則透過濾板流出。加壓後,固體被壓縮並排出,實現固液分離。
操作流程:首先,將待過濾物料倒入美女裸体无遮挡在线观看茄子视频中;接著,通過手動千斤頂將板框壓緊,實現固液分離;然後,開啟濾液排放閥門,將濾液排出;最後,鬆開板框,清理濾餅,重複上述步驟進行下一輪過濾。
應用領域:廣泛應用於化工、食品、製藥、環保等行業。在化工行業可用於處理各類懸浮液;食品行業可用於果汁、乳品等產品加工;製藥行業可用於提取、純化藥物成分;環保行業可用於處理工業廢水、汙泥等。
設備優點:結構簡單,操作易行,對於一些小型企業或實驗室來說,不需要複雜的操作技能和專業人員即可進行操作。同時,它能夠實現較高的過濾精度,特殊設計的濾布可截留粒徑小於1μm的粒子,使濾液清澈,固體回收率高,能滿足不同用戶對固液分離效果的要求。
設備缺點:屬於間歇操作設備,基建設備投資較大,過濾能力相對較低,處理大批量物料時效率可能不如一些大型自動化壓濾設備。






聲明一下:本網站上展示的產品僅用於工業上的汙水固、液分離,由於產品的專業性和專用性,每件商品的具體性能和使用方法均不盡相同,頁麵上的描述僅供參考,並不適用於每個具體商品,您在決定購買之前,務必事前(老板電話13732231928)溝通。謝謝您的理解和支持!(本站僅用於產品展示,不接受線上交易)

